产品中心
PRODUCTS
Kulite压力传感器
XTL-163-190(M)kulite汽车压力传感器
坚固耐用的汽车压力传感器XTL-163-190(M)系列
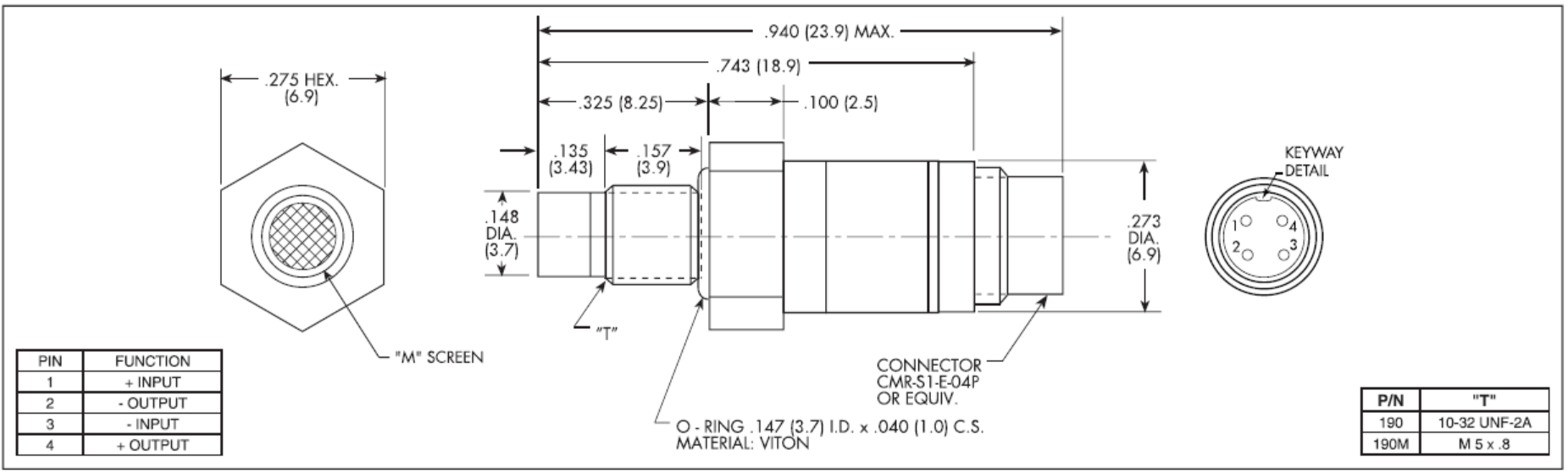
易于安装在组成接头上
高固有频率
10-32UNF或M5*0.8螺纹
工作温度范围宽
兼容大多数汽车流体
无引线专利技术设计
XTL-163-190(M)技术参数表

| 压力量程 | 1 1.7 3.5 7 17 35 70 100 210 BAR 15 25 50 100 250 500 1000 1500 3000 PSI |
| 压力类型 | 绝压, 密封表压 |
| 过载压力 | 2 倍 Rated Pressure to a Maximum of 4500 PSI (315 BAR) |
| 破裂压力 | 3 倍 Rated Pressure to a Maximum of 4500 PSI (315 BAR) |
| 压力介质 | 所有导电性液体或气体 (产品所带的密封圈不一定和所有压力介质兼容) |
| 额定激励电压 | 10 VDC |
| 最大激励电压 | 12 VDC |
| 输入阻抗 | 1000 Ohms (Min.) |
| 输出阻抗 | 1000 Ohms (Nom.) |
| 满量程输出(FSO) | 100 mV (Nom.) |
| 零位输出 | ± 5 mV (Typ.) |
| 综合非线性、迟滞性和重复性 | ± 0.1% FSO BFSL (典型值), ± 0.5% FSO BFSL (最大值) |
| 分辨率 | 无限小 |
| 压力膜片固有频率(KHz) (典型值) | >175KHz |
| 加速度灵敏度% FS/g垂直 | 6.5x10-4 5.0x10-4 3.0x10-4 1.5x10-4 1.0x10-4 6.0x10-5 4.5x10-5 3.5x10-5 2.0x10-5 |
| 绝缘电阻 | 100 Megohm Min. @ 50 VDC |
| 工作温度范围 | -40°F to +400°F (-40°C to +204°C) |
| 补偿温度范围 | -40°F to +350°F (-40°C to +175°C) |
| 温度零点漂移 | ± 1% FS/100°F (Typ.) |
| 温度灵敏度漂移 | ± 1% /100°F (Typ.) |
| 机械冲击 | 20g half Sine Wave 11 msec. Duration |
| 线性振动 | 10-2,000 Hz Sine, 20g. (Max.) |
| 电气连接 | Comtronic Connector P/N 20-11019-0001 or Equivalent (Mating Connector Available Upon Request) |
| 重量 | 5 克 (Nom.) 不包括电缆 |
| 压力感应原理 | 硅绝缘惠斯登全桥 |
| 安装扭矩 | 15 Inch-Pounds (Max.) 1.7 Nm |





