产品中心
PRODUCTS
Kulite压力传感器
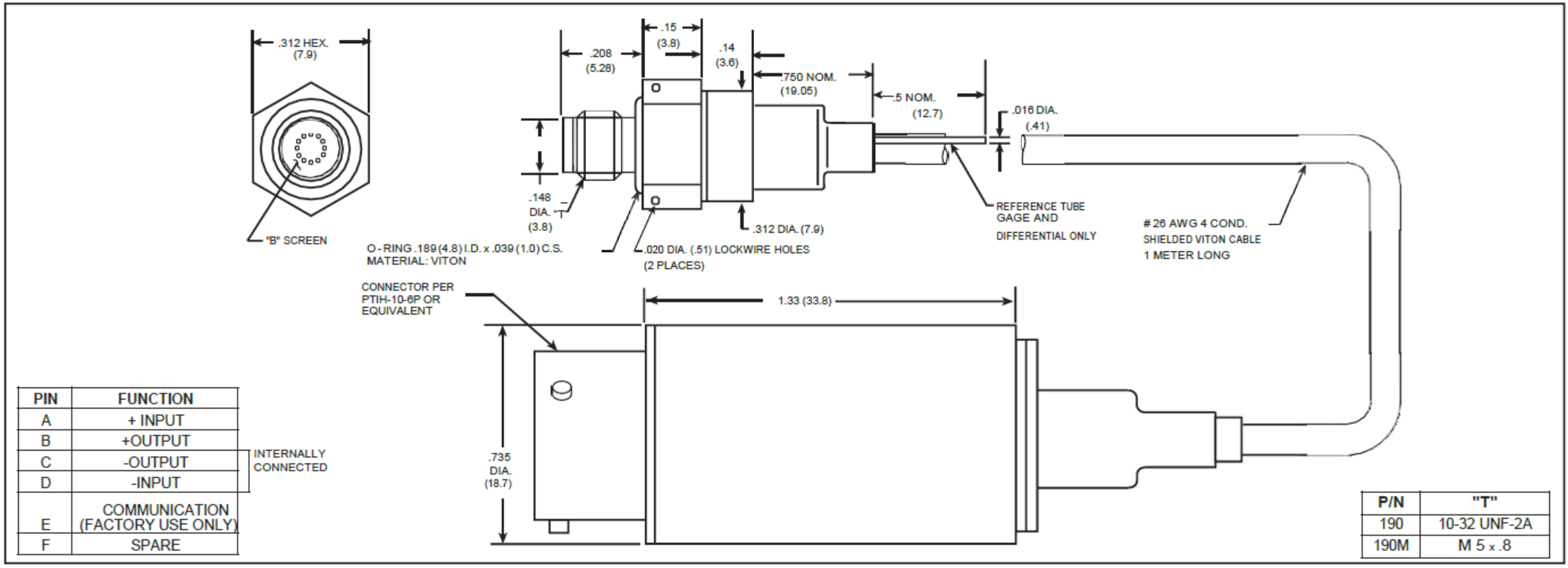
XTL-2DC-123GA6-190(M)kulite汽车压力传感器
超小型5VDC输出数字校正加固型汽车压力传感器XTL-2DC-123GA6-190(M)系列
• 应用于汽车测试
• 无引线专利技术VIS®
• 高精度
• 总误差0.15% T.E.B.典型值
(包含端点误差、综合非线性、迟滞性、重复性和温度补偿范
围内的所有温度误差)
• 兼容大多数汽车流体
如果在水中使用,零件性能不能保证。
XTL-2DC-123GA6-190(M)技术参数表

| 压力量程 | 1 1.7 3.5 7 17 35 70 100 210 BAR 15 25 50 100 250 500 1000 1500 3000 PSI |
| 压力类型 | 绝压, 通气表压,差压 绝压, 通气表压, 密封表压, 差压 绝压, 密封表压 |
| 过载压力 | 2 倍 Rated Pressure to a Maximum of 4500 PSI (315 BAR) |
| 破裂压力 | 3 倍 Rated Pressure to a Maximum of 4500 PSI (315 BAR) |
| 压力介质 | 所有非导电性、非腐蚀性液体或气体 (产品所带的密封圈不一定和所有压力介质兼容) |
| 最大电流 | 25mA |
| 额定激励电压 | 8-32 VDC |
| 输出阻抗 | 200 Ohms (Nom.) |
| 满量程输出(FSO) | 0-5V |
| 综合非线性、迟滞性和重复性 | ± 0.3% (Max.) ± 0.15% (Typ.) |
| 分辨率 | 无限小 |
| 带宽(KHz) | 3.5KHz |
| 加速度灵敏度% FS/g垂直 | 6.5x10-4 5.0x10-4 3.0x10-4 1.5x10-4 1.0x10-4 6.0x10-5 4.5x10-5 3.5x10-5 2.0x10-5 |
| 绝缘电阻 | 100 Megohm Min. @ 50 VDC |
| 工作温度范围 | -40°F to +390°F (-40°C to +200°C) 放大器 -40°F to +250°F (-40°C to +121°C) |
| 补偿温度范围 | 32°F to +250°F (0°C to +120°C) |
| 机械冲击 | 20g half Sine Wave 11 msec. Duration |
| 线性振动 | 10-2,000 Hz Sine, 20g. (Max.) |
| 电气连接 | 4 芯26 AWG 屏蔽氟橡胶电缆36 英寸长 |
| 重量 | 25 克 (Nom.) 不包括电缆 |
| 压力感应原理 | 硅绝缘惠斯登全桥 |
| 安装扭矩 | 15 Inch-Pounds (Max.) 1.7 Nm |





