产品中心
PRODUCTS
Kulite压力传感器
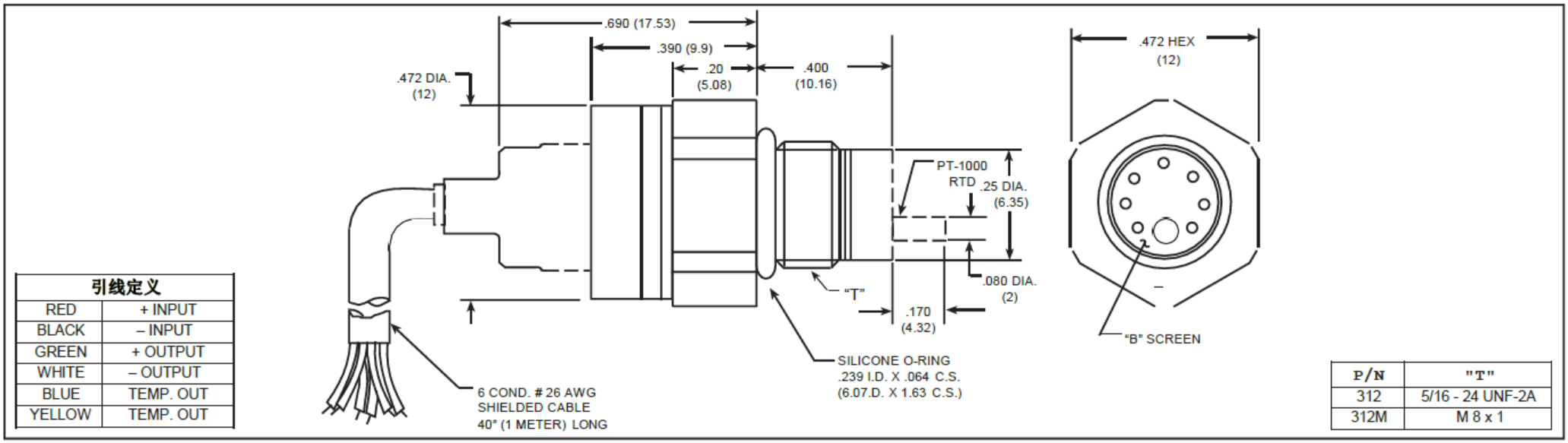
kulite温度压力双输出传感器HKL/T-312(M)/HKL/T-1-375(M)
超小型温度压力双输出传感器HKL/T-312(M)/HKL/T-1-375(M)
• 同时测量压力和温度
• 结构坚固
• 无引线专利技术VIS®
• 专为工业和汽车应用设计
HKL/T-312 (M)是一款小螺纹型压力传感器,集成了RTD,该传感器采用了Kulite无引线专利设计硅绝缘结构,RTD突出压力感应面测量温度,压力信号和温度信号分别独立输出。所有沾湿部件可与各种飞机和汽车流体兼容。
如果在水中使用,不能保证传感器零部件性能。
HKL/T-312(M)技术参数表

| 压力量程 | 1.7 3.5 7 17 35 70 170 BAR 25 50 100 250 500 1000 2500 PSI |
| 压力类型 | 绝压, 密封表压 |
| 过载压力 | 2 倍额定压力(最大到500 PSI (35 BAR)),量程高于500psi的为1.5倍额定压力量程 |
| 破裂压力 | 3 倍额定压力量程 |
| 压力介质 | 大多数液体或气体 (产品所带的密封圈不一定和所有压力介质兼容,请直接咨询我们) |
| 额定激励电压 | 10 VDC |
| 最大激励电压 | 12 VDC |
| RTD激励 | 1mA(2mA Max.) |
| 输入阻抗 | 1000 Ohms (Min.) |
| 输出阻抗 | 1000 Ohms (Nom.) |
| 满量程输出(FSO) | 100 mV (Nom.) |
| RTD | 1000 Ohms Platinum, DIN EN 60751 Tables, Class A (65% Response Time 3 Seconds Max.) In Liquid |
| 零位输出 | ± 5 mV (Typ.) |
| 综合非线性、迟滞性和重复性 | ± 0.1% FSO BFSL (典型值), ± 0.5% FSO BFSL (最大值) |
| 分辨率 | 无限小 |
| 压力膜片固有频率(KHz) (典型值) | 240 300 380 550 700 1000 1400 |
| 加速度灵敏度% FS/g垂直 | 5.0x10-4 3.0x10-4 1.5x10-4 1.0x10-4 6.0x10-5 4.5x10-5 2.0x10-5 |
| 绝缘电阻 | 100 Megohm Min. @ 50 VDC |
| 工作温度范围 | -65°F 到+350°F (-55°C 到+175°C) |
| 补偿温度范围 | +80°F 到+180°F (+25°C 到+80°C)) Any 100°F Within The Operating Range on Request |
| 温度零点漂移 | ± 1% FS/100°F (Typ.) |
| 温度灵敏度漂移 | ± 1% /100°F (Typ.) |
| 机械冲击 | 20g Half Sine Wave 11 msec. Duration |
| 线性振动 | 10-2,000 Hz Sine, 20g. (Max.) |
| 电气连接 | 6 芯26 AWG 屏蔽电缆40 英寸长 |
| 重量 | 10 克 (Nom.) 不包括电缆 |
| 压力感应原理 | 硅绝缘惠斯登全桥无引线专利技术 |
| 安装扭矩 | 50Inch-Pounds (Max.) 6Nm |
HKL/T-1-375(M)技术参数表

| 压力量程 | 1.7 3.5 7 17 35 70 170 BAR 25 50 100 250 500 1000 2500 PSI |
| 压力类型 | 绝压, 密封表压 |
| 过载压力 | 2 倍额定压力(最大到500 PSI (35 BAR)),量程高于500psi的为1.5倍额定压力量程 |
| 破裂压力 | 3 倍额定压力量程 |
| 压力介质 | 大多数液体或气体 (产品所带的密封圈不一定和所有压力介质兼容,请直接咨询我们) |
| 额定激励电压 | 10 VDC |
| 最大激励电压 | 12 VDC |
| RTD激励 | 1mA(2mA Max.) |
| 输入阻抗 | 1000 Ohms (Min.) |
| 输出阻抗 | 1000 Ohms (Nom.) |
| 满量程输出(FSO) | 100 mV (Nom.) |
| RTD | 1000 Ohms Platinum, DIN EN 60751 Tables, Class A (65% Response Time 3 Seconds Max.) In Liquid |
| 零位输出 | ± 5 mV (Typ.) |
| 综合非线性、迟滞性和重复性 | ± 0.1% FSO BFSL (典型值), ± 0.5% FSO BFSL (最大值) |
| 分辨率 | 无限小 |
| 压力膜片固有频率(KHz) (典型值) | 240 300 380 550 700 1000 1400 |
| 加速度灵敏度% FS/g垂直 | 5.0x10-4 3.0x10-4 1.5x10-4 1.0x10-4 6.0x10-5 4.5x10-5 2.0x10-5 |
| 绝缘电阻 | 100 Megohm Min. @ 50 VDC |
| 工作温度范围 | -65°F 到+350°F (-55°C 到+175°C) |
| 补偿温度范围 | +80°F 到+180°F (+25°C 到+80°C)) Any 100°F Within The Operating Range on Request |
| 温度零点漂移 | ± 1% FS/100°F (Typ.) |
| 温度灵敏度漂移 | ± 1% /100°F (Typ.) |
| 机械冲击 | 20g Half Sine Wave 11 msec. Duration |
| 线性振动 | 10-2,000 Hz Sine, 20g. (Max.) |
| 电气连接 | 6 芯26 AWG 屏蔽电缆40 英寸长 |
| 重量 | 12 克 (Nom.) 不包括电缆 |
| 压力感应原理 | 硅绝缘惠斯登全桥无引线专利技术 |
| 安装扭矩 | 50Inch-Pounds (Max.) 6Nm |





