产品中心
PRODUCTS
Kulite压力传感器
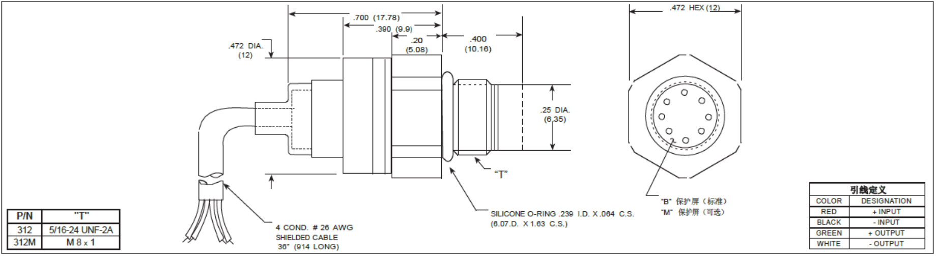
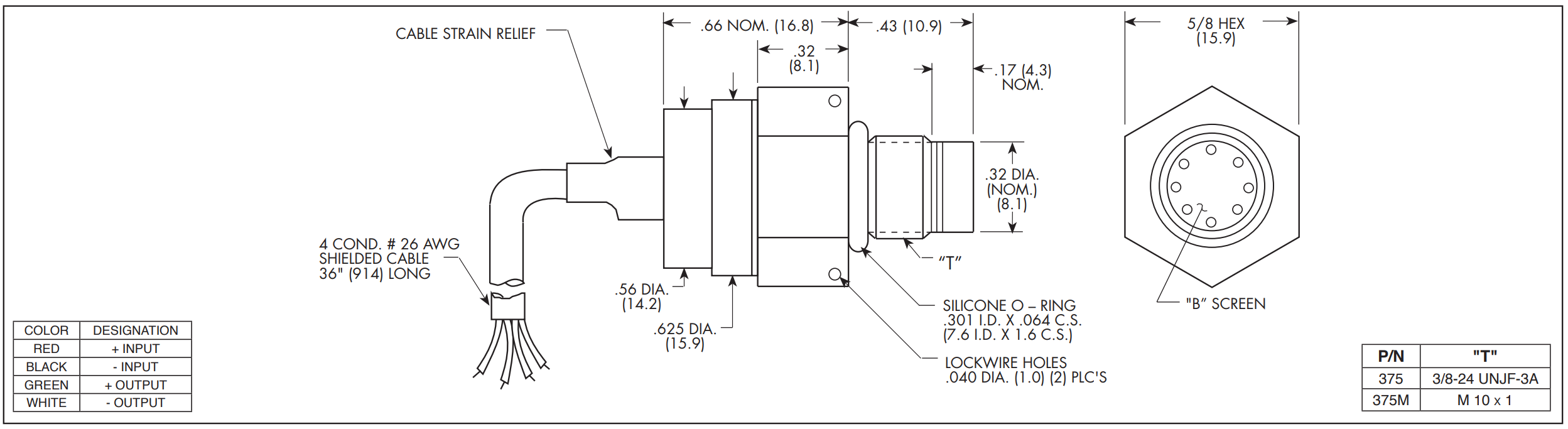
kulite标准压力传感器HKM-312(M)/HKM-375(M)
小型高压压力传感器HKM-312(M)/HKM-375(M)系列
• 良好的稳定性 高固有频率
• 焊接结构 英制或公制(M8/M10)螺纹
• 结构坚固 本安选项
• 硅-硅(Silicon on Silicon)集成传感器 VIS®
HKM系列采用金属齐平膜充油体型。压力感应元件在金属平膜后面,金属平膜又被金属保护屏保护着。压力经金属膜后腔内的非压缩性硅油传导至压力感应元件;该感应元件焊接在不锈钢主体上,这种先进的结构使传感器具有高度稳定、高可靠性和结构坚固、优异的重复性、低功耗等优点。其小巧的封装结构显著提高了传感器的固有频率,适用于冲击压力测量。

HKM-312(M)技术参数表
| 压力量程 | 35 70 170 350 700 BAR 500 1000 2500 5000 10000 PSI |
| 压力类型 | 绝压, 密封表压 |
| 过载压力 | 2 倍额定压力 |
| 破裂压力 | 3 倍额定压力 |
| 压力介质 | 兼容15-5PH或316不锈钢的液体或气体(提供的密封圈可能不兼容所有的压力介质) |
| 额定激励电压 | 10 VDC/AC |
| 最大激励电压 | 12 VDC/AC |
| 输入阻抗 | 1000 Ohms (Min.) |
| 输出阻抗 | 1000 Ohms (Nom.) |
| 满量程输出(FSO) | 100 mV (Nom.) |
| 零位输出 | ± 5 mV (Typ.) |
| 综合非线性、迟滞性和重复性 | ± 0.1% FSO BFSL (典型值), ± 0.5% FSO BFSL (最大值) |
| 分辨率 | 无限小 |
| 压力膜片固有频率(KHz) (典型值) | >400khz |
| 加速度灵敏度% FS/g垂直 | 1.1x10-4 6.2x10-5 2.4x10-5 1.5x10-5 1.3x10-5 |
| 绝缘电阻 | 100 Megohm Min. @ 50 VDC |
| 工作温度范围 | -65°F 到+250°F (-55°C 到+120°C) |
| 补偿温度范围 | +80°F 到+180°F (+25°C 到+80°C) |
| 温度零点漂移 | ± 1% FS/100°F (Typ.) |
| 温度灵敏度漂移 | ± 1% /100°F (Typ.) |
| 等加速度 | 10,000g. (Max.) |
| 线性振动 | 10-2,000 Hz Sine, 20g. (Max.) |
| 机械冲击 | 20g half sine wave 11msec. duration |
| 电气连接 | 4 芯26 AWG 屏蔽电缆36 英寸长 |
| 重量 | 15 克 (Nom.) 不包括电缆 |
| 压力感应原理 | 惠斯登全桥硅基技术 |
| 安装扭矩 | 50 Inch-Pounds (Max.) 6 Nm |
HKM-375(M)技术参数表

| 压力量程 | 7 17 35 70 170 350 700 1400BAR 100 250 500 1000 2500 5000 10000 20000 PSI |
| 压力类型 | 绝压, 密封表压 |
| 过载压力 | 2 倍额定压力量程到1000PSI(70BAR) 1.5倍额定压力量程超过1000PSI最大到25000PSI(1724BAR) |
| 破裂压力 | 3 倍额定压力量程最大到25000PSI(1724BAR) |
| 压力介质 | 兼容15-5PH或316不锈钢或铬镍铁合金625的液体或气体(提供的密封圈可能不兼容所有的压力介质) |
| 额定激励电压 | 10 VDC/AC |
| 最大激励电压 | 12 VDC/AC |
| 输入阻抗 | 1000 Ohms (Min.) |
| 输出阻抗 | 1000 Ohms (Nom.) |
| 满量程输出(FSO) | 100 mV (Nom.) |
| 零位输出 | ± 5 mV (Typ.) |
| 综合非线性、迟滞性和重复性 | ± 0.1% FSO BFSL (典型值), ± 0.5% FSO BFSL (最大值) |
| 分辨率 | 无限小 |
| 压力膜片固有频率(KHz) (典型值) | >400khz |
| 加速度灵敏度% FS/g垂直 | 2.0x10-4 2.2x10-4 1.1x10-4 6.2x10-5 2.6x10-5 1.5x10-5 1.3x10-5 8x10-6 |
| 绝缘电阻 | 100 Megohm Min. @ 50 VDC |
| 工作温度范围 | -20°F 到+250°F (-29°C 到+120°C) |
| 补偿温度范围 | +80°F 到+180°F (+25°C 到+80°C) |
| 温度零点漂移 | ± 1% FS/100°F (Typ.) |
| 温度灵敏度漂移 | ± 1% /100°F (Typ.) |
| 等加速度 | 10,000g. (Max.) |
| 线性振动 | 10-2,000 Hz Sine, 100g. (Max.) |
| 机械冲击 | 20g half sine wave 11msec. duration |
| 电气连接 | 4 芯26 AWG 屏蔽电缆36 英寸长 |
| 重量 | 17 克 (Nom.) 不包括电缆 |
| 压力感应原理 | 惠斯登全桥硅基技术 |
| 安装扭矩 | 80 Inch-Pounds (Max.) 9 Nm |





