产品中心
PRODUCTS
GENSORS压力传感器
Gensors微型压力传感器PM180-WB
产 品 优 势
1、极小尺寸,芯片自振频率高,高带宽10KHz
2、宽温区补偿范围,介质温度范围宽,-55℃~+150℃
3、抗过载能力强,可高达量程的2倍
4、MEMS芯片充油介质隔离技术,精度高、可靠性强
5、量程范围宽,最高可到0~70MPa
6、抗冲击振动能力强
邦盟智沿传感技术(上海)有限公司PM180-WB系列是一款微型、多功能的高精度压力传感器。先进的微加工硅技术MEMS芯片、特殊的充油介质隔离、扎实的抗干扰电路设计及不锈钢内外结构界面,使PM180-WB系列成为一款精度高、可靠性强、适合多种测量介质的压力传感器,并进一步提供了具有10KHz频率带宽的电子电路。通过压力芯体的前置设计,该系列体积小、量程宽、抗压能力强。该传感器可提供多种不同的电输出信号和输出方式,可测量绝压、密封表压两种压力类型。
Gensors微型压力传感器PM180-WB技术参数表
| 主要性能指标 | 精度 | M- 0.2%F.S BSFL ,H-0.1%F.S BSFL(其他精度可定制) |
| 测量范围(量程) | 绝压 0~70MPa之间任意可选;密封表压:0~70MPa之间任意可选 | |
| 压力类型 | S=密封表压,A =绝压 | |
| 过载压力 | 满量程的2倍 | |
| 爆破压力 | 满量程的3倍 | |
| 工作原理 | 四桥臂惠斯通电桥硅基MEMS芯片 | |
| 芯片自振频率 | >400KHz | |
| 电气性能 | 电路带宽 | 10KHz |
| 最大工作电流 | 25mA | |
| 供电/输出信号 | 见选型表,可定制 | |
| 输出阻抗 | < 150Ω | |
| 绝缘阻抗 | ≥ 100MΩ @500VDC | |
| 长期稳定性 | 典型值±0.05%FS,最大值±0.1%FS | |
| 抗电强度 | 漏电流≤ 5mA@50VAC RMS | |
| 上电时间 | < 200ms | |
| 温度性能 | 工作温度 | -55℃~150℃ |
| 补偿温度范围 | -55℃~150℃范围内可选 | |
| 存储温度 | -55℃~+150℃ | |
| 全温区总误差 | <0.2%FS/100℃ | |
| 机械性能 | 冲击振动 | 最大20g 10-2500Hz;冲击不超过20ms |
| 振动对传感器精度影响 | < 1ppmFS/g | |
| 重量 | ≤ 15g(不含线缆和电气接头) | |
| 安装扭矩 | 量程<0-35MpaA,10N.m,量程>0-35MpaA,22N.m | |
| 密封圈 | 根据压力接头选项适配(材质与被测介质匹配) | |
| 测试介质 | 所有与316L/17-4PH不锈钢兼容的流体(具体请直接咨询GENSORS) | |
| 外壳材质 | 316L/17-4PH不锈钢(*其他可定制) |
Gensors微型压力传感器PM180-WB技术选型表
| 结构形式 | |||||||
| 1 | 不锈钢壳体 | ||||||
| 2 | 特殊壳体定制 | ||||||
| 综合静态精度(非线性、迟滞性、重复性) | |||||||
| M | 0.2%FS BFSL | ||||||
| H | 0.1%FS BFSL | ||||||
| S | 其他可定制 | ||||||
| 信号输出 | |||||||
| V3 | 0.5-4.5V输出,8-32V供电,高精度数字补偿,三线 | ||||||
| 电气接头 | |||||||
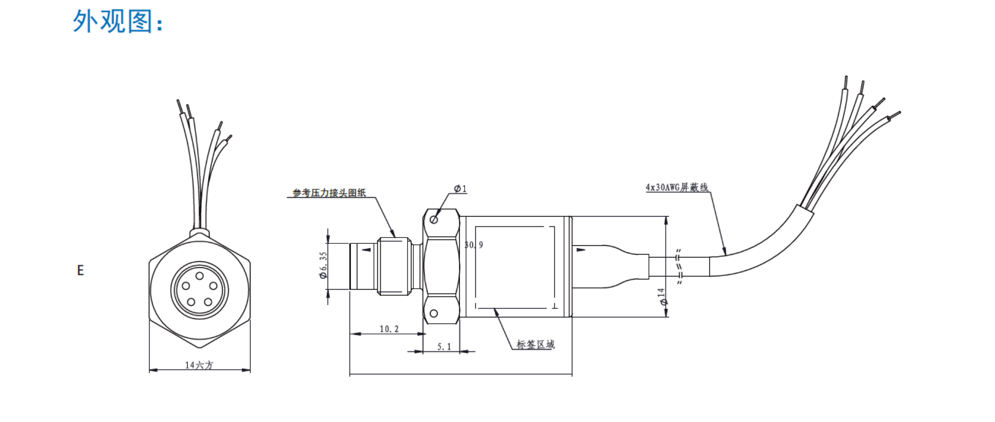
| H | 4×30AWG(1m线长)镀锡屏蔽线 | ||||||
| 压力接头 | |||||||
| C19 | M8×1外螺纹 | ||||||
| C20 | M8外螺纹 | ||||||
| C21 | 5/16-18 UNJC 外螺纹 | ||||||
| C22 | 5/16-24 UNJF 外螺纹 | ||||||
| S | 其他可定制 | ||||||
| 补偿温度范围 | |||||||
| T1 | 25℃~80℃ | ||||||
| T2 | -20℃~125℃ | ||||||
| T3 | -40℃~125℃ | ||||||
| T4 | -55℃~150℃ | ||||||
| T5 | -10℃~50℃ | ||||||
| T6 | -20℃~80℃ | ||||||
| T7 | -40℃~80℃ | ||||||
| 校准 | |||||||
| CA | 零点、满量程六点压力数据 | ||||||
| CB | 五点全温数据 | ||||||
| 压力量程及单位、压力类型、线缆长度 | |||||||
| 0-70Mpa之间任意可选 绝压(A) 1m或定制长度电缆 | |||||||
| 0-70Mpa之间任意可选 密封表压(S)1m或定制长度电缆 | |||||||
| 举例:1 | M | V3 | H | C19 | T1 | CA | 0-70Mpa,绝压(A),1m电缆 |
| 完整型号:PM180-WB-1-M-V3-H-C19-T1-CA,0-70Mpa,绝压(A),1m电缆 | |||||||







